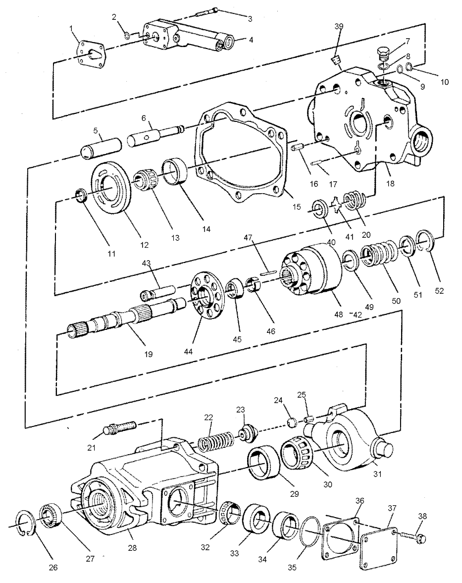
Hydraulic Pump 9T-0290 6E-5965 for Caterpillar CAT Engine 3304 3204 3116 Tractor D5M D5MLGP D4H D4HXL
Replace Part Number:
CA6E5965, 6E-5965, 6E5965, CA9T0290, 9T-0290, 9T0290, CA0R7670, 0R-7670, 0R7670
Fit For Caterpillar Engine: 3304, 3204, 3116
Application:
Fit For Caterpillar Tractor: D4H, D4H III, D4H XL, D4HTSK II, D4HTSK III, D5M, 54H
HENGYUHANG series applied engineering machinery:
Aplied to excavators: 3658 365B 1 365BL345B1345B IMH 345C L 345C MH 330D 30D FM 330D L330D LN 330D MH 336D 36D L36D IN 336D2 336D2 GC 36021 34D I340D2L3458 345B L 365B 3658 11365C 365C L365CL MH 374D L3858385C 385CFS 385CL 385CL MH 390D 390D L 5090B 5230B W345C MH M330D and othermachineny
Applied to non road tucks: 776D 77D 77 77E 777F 77G 797 6D 769D 774D 73D 775D D1OR 769D 770 771D 772 773D 73E 773F 775D 75E 775F 784C 785C 784C 78C785D and other machinery
Applied to articulated unlading tnucks: 725 725C725C2 730 730C 730C2 730C2 EJ725 730 735 740 D250E I D300E 1 735 735 OEM 740 D350E I D400E 1I735B 740B 7358 740BD350EII D400EIl D250E1 D300E11 730 725 735 735 OEM 7358 740 740B 735 and other machinery
Aplied to tracked bdOzErS: DHR DIT836G 83SH 57H8 8A 8SU 8U D8N D8R D8RI D8GC D8 GC D7E D7ELGP D9T DBT D8 DST D6T DTLGP DGTXL DST XW D1OT DST 44A 4F4S 54 55 D4H D4H | D6M D9R and other machineryAppled to excavator lpader: 416D 416 428 958D 420E 430E 420D 42D 430D 432D 438D 42D 973K 973 973D 248 416D 424D 432F 434F 44F A4E 973K 973 973D and oemachinery
Applied to wheeled bulldozers: 834G 834H 844 854K
Applied to wheel loaders: 90 g90l 93K950 GC 950H 962H 938K 924K930K930M938M 993K980G 980G11950G 950G 1962G 962G 1988H 988G 92K and otermachimenApplied to graders: 120H 120H ES 120H NA 120K 120K2 12H 12K 135H 135H NA 140H 140K 140K2 160H 10K160H 160H ES 160H NA 12G 140G 160G 14H NA 16H NA and otmermachinery

257-9785 | 10R-4646 | 176-3963 | 173-3381 | 0R-4608 | 9T-8647 | 244-8483 | 227-0830 | 208-1112 | 315-4392 |
9T-3680 | 9T-7099 | 0R-8672 | 567-9722 | 272-6955 | 162-6176 | 0R-8620 | 311-7405 | 148-1773 | 283-5975 |
377-4950 | 311-7404 | 185-0220 | 10R-1457 | 114-0604 | 7Y-4002 | 199-6374 | 0R-4628 | 171-5813 | 283-5973 |
123-2235 | 114-0603 | 194-8383 | 10R-1551 | 7 Y4009 | 133-8908 | 165-9270 | 9T-3712 | 116-3550 | 288-6857 |
216-0032 | 247-8975 | 235-6830 | 10R-8698 | 199-6947 | 244-5214 | 439-2545 | 266-6942 | 444-8538 | 346-6095 |
250-2564 | 216-0038 | 20R-6862 | 531-9885 | 4740367 | 146-5494 | 133-6766 | 165-9269 | 454-0815 | 10R-7699 |
237-0292 | 119-7698 | 334-9990 | 10R-2520 | 531-9886 | 433-9511 | 20R-9457 | 4 I7634 | 430-9006 | 158-8986 |
550-4341 | 433-9811 | 437-0152 | 367-8871 | 155-9205 | 566-8632 | 355-2407 | 295-9663 | 487-6229 | 444-8536 |
322-8733 | 335-0029 | 464-4876 | 20R-6860 | 20R-2016 | 506-0353 | 389-1475 | 153-7020 | 297-6998 | 325-9786 |
428-8035 | 20R-7288 | 307-3058 | 533-1132 | 444-8539 | 355-2397 | 525-9471 | 454-0814 | 455-1846 | 11R-1499 |
20R-6861 | 444-8537 | 352-9154 | 11R-1432 | 447-0725 | 553-7306 | 392-0230 | 399-5055 | 222-8451 | 299-9129 |
20R-6858 | 464-4875 | 276-5825 | 297-6993 | 423-2514 | 480-1486 | 20R-9382 | 578-2879 | 20R-0934 | 606-8875 |
289-4027 | 20R-0943 | 214-1091 | 443-8469 | 564-7830 | 196-9823 | 298-8671 | 194-1486 | 240-0142 | 20R-8885 |
170-6052 | 378-2847 | 251-8034 | 20R-9392 | 20R-9521 | 325-9784 | 138-4815 | 369-6595 | 364-0983 | 128-4325 |
30R-0528 | 201-8340 | 138-4821 | 20R-7235 | 10R-4714 | 91563189 | 20R-7234 | 501-8368 | 492-5107 | 310-9364 |
512-4934 | 444-5235 | 229-0101 | 10R-3804 | 130-2447 | 0R-7410 | 296-3876 | 295-9678 | 515-1694 | 11R-1439 |
0R-7998 | 190-8198 | 6E-3142 | 10R-7390 | 0R-8508 | 240-0145 | 117-7760 | 251-8036 | 10R-5466 | 6E-4861 |
20R-6180 | 162-2538 | 246-6099 | 0R-4212 | 365-5791 | 10R-0171 | 489-2633 | 11R-1438 | 626-0151 | 30R-0026 |
639-3929 | 259-0782 | 1 U1625 | 349-9480 | 0R-7668 | 9T-9912 | 484-6745 | 0R-4937 | 617-6637 | 154-6613 |
6E-2179 | 6E-3132 | 266-7843 | 10R-9111 | 20R-7971 | 124-6702 | 10R-6129 | 6E-5911 | 451-4842 | 242-4042 |
154-6612 | 266-0330 | 10R-6127 | 280-7856 | 311-9590 | 398-8229 | 358-4982 | 240-7790 | 20R-9401 | 280-7854 |
363-8330 | 20R-8883 | 295-9437 | 10R-3335 | 220-8162 | 142-9020 | 217-7101 | 10R-3336 | 340-2123 | 370-6073 |
20R-0935 | 334-9979 | 461-7100 | 170-9893 | 393-2179 | 296-9346 | 445-6683 | 358-5009 | 334-6234 | 337-4018 |
220-8152 | 142-8720 | 340-2103 | 341-0724 | 489-3487 | 142-6825 | 240-7732 | 10R-5602 | 109-2854 | 376-9405 |
204-2679 | 204-2819 | 141-0977 | 20R-0944 | 396-4282 | 353-5926 | 350-7075 | 353-5927 | 10R-8699 | 370-7601 |
20R-9403 | 457-6570 | 210-3786 | 505-5180 | 425-1597 | 20R-6863 | 260-1529 | 10R-7395 | 0R-4935 | 5337988 |
523-2057 | 353-5932 | 180-6112 | 515-6427 | 311-9550 | 20R-3300 | 10R-3429 | 20R-1840 | 517-4920 | 461-8671 |
505-5179 | 512-0949 | 489-3973 | 105-2140 | 299-8962 | 208-2897 | 564-9801 | 358-4977 | 492-5017 | 340-2104 |
W42008000 | 5564752 | 10R-9990 | 266-8403 | 307-3072 | 218-6927 | 10R-2424 | 242-6776 | 450-5374 | 10R-3307 |
HENGYUHANG Company is a set design, production, sales in one of the hydraulic components production company, the company has advanced hydraulic components manufacturing technology and technology, the use of high-precision equipment CNC machining center, gear hot processing automatic production line, , automatic heat treatment multi-purpose furnace, single-piece flow assembly line, automatic hydraulic pump performance test bench. Intelligent equipment adopts automatic unmanned production, and realizes online measurement to ensure product consistency and reliability, intelligent system uses ERP, MES management software, improve production efficiency, and achieve product traceability.
Hengyuhang Power Technology produces and sells external gear pumps, hydraulic synchronous motors, multi-pump units, gear pumps with built-in valves, and custom valve blocks. Meanwhile, according to the specific needs of customers, we provide a variety of products with special specifications.And it can also be used as a substitute for other products (such as Rexlex, Danfoss, MARZOCCHI, Parker, RONZIO, Atos, Buchet, ECKERLE, CONCENTRIC, HYADC, JIHOSTROJ, Hydraulic, SDH, VIVOLO, ARGO-HYTOS, HESPER, HPLPA, HPI, DUPLOMATIC, ROQUET, BODEN,PERMCOP, Caproni, DUPLOMATIC, HIDRAULICA, SETTIMA, SALAMI, HONOR, SHIMADZU, GRH, Brevini, Galtech, BONDIOLI, REXROTH-SIGMA, BLUEASCEND, RISUNY, SUMITOMO, HYDROMAX, SCENERY, REXPOWER, CML, HOERBIGER, SUNNY, HYTEK, Hydro-pack, )
HENGYUHANG also sells a wide range of other international brands of hydraulic pumps, hydraulic valves, hydraulic motors, hydraulic cylinders, hydraulic oil seals, hydraulic equipment and accessories, and has high-quality overseas ordering channels
HENGYUHANG products are mainly used in the supporting services of industries such as automobiles, construction machinery, agricultural machinery, aerial work platforms, hydraulic systems, logistics handling vehicles, new energy vehicles, metallurgical machinery, petroleum machinery, machine tools, and wind powe

No. 173, Xiacuo, Sihuang Village, Xiamei Town, Nan 'an City, Fujian Province